大秦合盛禾

质量证书

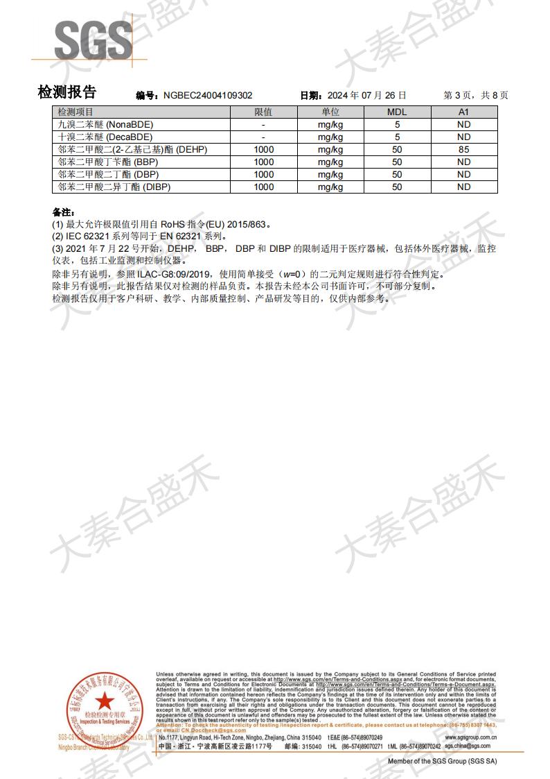
通过第三方认证机构做了ISO9001质量立体认证,并获得证书,证明我司质量管理方面已取得进一步提升,使产品质量信得过,提高了我司的安全管理和综合管理水平,并促进我司对管理方面更具规范化、标准化、现代化。 ROHS测试的意义在于环境和健康的保护,我们生产的产品中不含有有害物质。 检测的作用包括获得更多的市场机会,减少产品有害物质的使用量,提升企业环保水平,减少废弃后的环境污染。此外,ROHS检测还可以证明产品符合安全标准,保护人们的身体健康。 为提升产品信誉,我司对所作产品纸护角进行SGS下的ROHS检测,通过检测我们所作产品符合安全生产标准。

联系我们

联系人:张效龙

电话:13649245629

邮箱:18802932002@163.com

陕西大秦合盛禾包装发展有限公司

地址: 陕西省咸阳市武功县普集镇苏武大道肖马村南

用手机扫描二维码关闭
二维码